☰
×
POČETNA
PROIZVODI
Redne stezaljke i pribor
Redne stezaljke
Redne stezaljke pod šraf
Redne stezaljke pod oprugu
Redne stezaljke Push in
Dodatna oprema za redne stezaljke
Mostovi za kleme
Završne pločice
Krajnji držači
DIN šine i pribor
EMC rešenja za uzemljenje širmovanih kablova
Oprema za upravljanje
Releji
Interfejs releji
Elektromehanički releji
Solid state releji
Izvori napajanja
Ispravljači
Upravljanje baterijama i baterije
Elektronski osigurači
Merni pretvarači
Prenaponska zaštita
Prenaponska zaštita signalna
Prenaponska zaštita komunikacijska
Prenaponska zaštita energetska
Prenaponska zaštita PV sistema
Industrijski konekori i uvodnici
HDC konektori
HDC konektori fiksni umetci
HDC konektori kućišta
HDC konektori kompleti
HDC konekori modularni
Uvodnici i uvodne ploče
Uvodnici za kablove sa konektorom
Uvodnici za kablove bez konektora
Razvodne kutije i kućišta elektro ormana
Poliesterske razvodne kutije
Inox razvodne kutije
PCB kleme
Oprema za radno okruženje i alat
Industrijski štampači
Označavanje
Označavanje provodnika i kablova
Označavanje klema
Označavanje uređaja i elektro ormana
Alat
Ručni alat
Hilzne i pribor
Alat za probijanje rupa u metalu
Automatske mašine
Sklopna tehnika, merenje,frekventni reguralori
Automatski osigurači
Motorna zaštita i kontaktori
Merenje energije
Strujni trafoi
Mrežni analizatori
Tasteri
Frekventni regulatori
Oprema za industrijsku automatizaciju i komunikaciju
Senzor aktuator konektori i ostrva
Switch-evi
Switch upravljivi
Switch ne upravljivi
Paneli
I/O moduli
BRENDOVI
KATALOZI I ATESTI
NOVOSTI
O NAMA
KONTAKT
TELA ELEKTRIK d.o.o.
ELEKTRO OPREMA ZA INDUSTRIJU
011 277 28 50
064 13 79 538
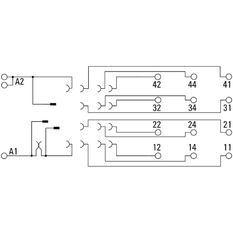
SCM 4CO ECO
Klikom na sliku otvarate galeriju slika
Šifra proizvoda:
7760056264
Brend:
Weidmueller
SCM 4CO ECO